江蘇振強機械科技股份有限公司 >> 產品中心 >> 破碎機 >> 細碎鄂式破碎機(PEX型)
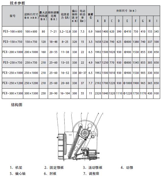
細碎鄂式破碎機廣泛運用于礦山、冶煉、建材、公路、鐵路、水利和化學工業等眾多部門,破碎抗壓強度不超過320兆帕的各種物料。
1、在主機吊裝過程中發生側翻,使偏心軸單邊受力彎曲; 2、被破碎物硬度超過產品使用說明書規定; 3、顎式破碎機主機長期超負運轉; 4、肘板不符標準,非破碎物進入破碎腔時起自斷保護作用; 5、偏心軸熱處理不當,應力集中,造成短期內斷裂。 1、更..
? 2022 江蘇振強機械科技股份有限公司 蘇ICP備16037017號-2 技術支持:天正企劃